
Vávulas de Carga Inferior de 3 Vías de 1 1/4
abril 18, 2022
Vávulas de Carga Lateral de 3 Vías de 1 1/4
abril 18, 2022Vávulas de de Paso Completo de 1 1/4
SKU: pascom114
Category: Válvulas Plásticas
Tags: almacenes industria microvalvulas soluciones industriales valvulas valvulas termoplasticas
Características
- La bola se tornea con diamante, después del moldeado, para que sea esféricamente perfecta, lo que proporciona un contacto preciso entre la bola y los asientos.
- Sellos FKM.
- El polipropileno moldeado con precisión está reforzado con fibra de vidrio para mayor resistencia.
- Los casquillos y asientos del vástago autolubricantes de PTFE no pueden pegarse ni atascarse.
- La bola autoalineable se mueve libremente contra los asientos de PTFE para un funcionamiento suave. La válvula se abre y se cierra con muy poca presión sobre el mango.
- Pernos de acero inoxidable.
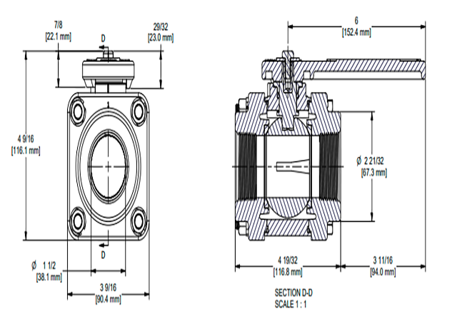
Especificaciones
- Tipo: Atornillado
- Estilo: 4 pernos
- Peso: 1.91 lbs
- Tamaño: 1 1/4"









