
Válvula de Unión Simple de Paso Completo 1/2″
abril 13, 2022
Válvula de Carga Lateral de 3 Vías de 1″
abril 18, 2022Válvula de Polietileno Completo con Rosca 1″
SKU: poroscaval1
Category: Válvulas Plásticas
Tags: almacenes industria microvalvulas soluciones industriales valvulas valvulas termoplasticas
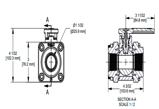
Características
- La bola se tornea con diamante, después del moldeado, para que sea esféricamente perfecta, lo que proporciona un contacto preciso entre la bola y los asientos.
- El polipropileno moldeado con precisión está reforzado con fibra de vidrio para mayor resistencia.
- Los casquillos y asientos del vástago autolubricantes de PTFE no pueden pegarse ni atascarse.
- La bola autoalineable se mueve libremente contra los asientos de PTFE para un funcionamiento suave. La válvula se abre y se cierra con muy poca presión sobre el mango.
- Pernos de acero inoxidable.
- Máximo 300 PSI
Especificaciones
- Tipo: Atornillado
- Estilo: 4 pernos
- Peso: 0.00 lbs
- Tamaño: 1"









