
Válvula SpinWeld de Unión Simple de 1 1/2″
abril 13, 2022
Ruedas L-ALB 125K-FI
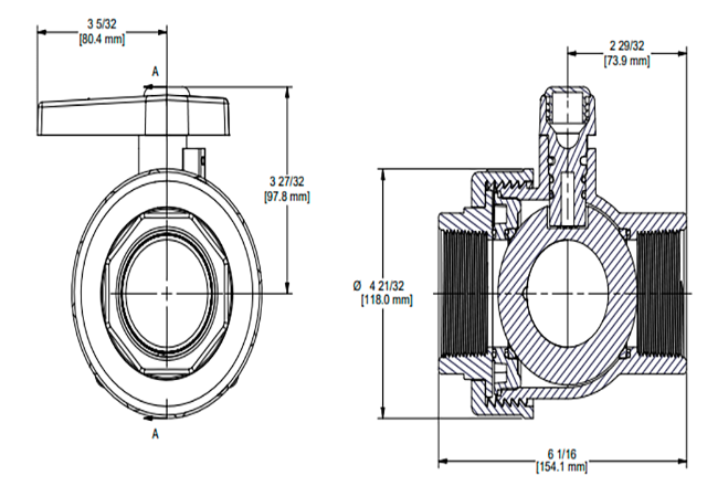
abril 13, 2022Válvula SpinWeld de Unión Simple de 2″
SKU: valspin2
Category: Válvulas Plásticas
Tags: almacenes industria microvalvulas soluciones industriales valvulas valvulas termoplasticas
Características
- Juntas tóricas dobles en el área del vástago para mayor protección de sellado.
- Juntas tóricas de EPDM para manejar la mayoría de los fertilizantes y muchos productos químicos.
- Cuerpo entrelazado y placa final para permitir una fácil conexión roscada al instalar válvulas.
- Presión máxima 200 psi a 70°:F.
- Moldeado con precisión en polipropileno reforzado con fibra de vidrio, para mayor solidez y resistencia química.
- Asientos de PTFE para un funcionamiento suave y características de sellado adecuadas.
Especificaciones
- Estilo: Soldadura por giro
- Peso: 1.45 lbs
- Tamaño: 2"









